Единственным приемлемым, с экономической точки зрения, способом транспортировки электроэнергии от электростанции до конечного потребителя является её передача посредством высоковольтных линий электропередач. Однако, и данный метод имеет ряд недостатков. В частности, при транспортировке электроэнергии на большие расстояния достаточно сильно проявляют себя потери, обусловленные самой физикой данного процесса. Для минимизации этих потерь повышают напряжение ЛЭП. Это позволяет значительно сократить потери, однако повышает стоимость возведения и, соответственно, сроки окупаемости ВЛ. Со временем появилась определенная градация ЛЭП по уровню напряжения.
В частности, линии электропередач с напряжением 110кВ рекомендуется использовать на распределительных участках (от электростанции до ближайшей подстанции, на которой происходит понижение напряжения), для подвода электричества к крупным промышленным предприятиям или большим населенным пунктам. При сооружении таких ВЛ используется несколько типов опор, среди которых особая роль отводится анкерно-угловым. Данный вид инженерных конструкций устанавливается и эксплуатируется на «тяжелых» и сложных участках возводимых магистралей, в числе которых: крутые(более 20 градусов) повороты трассы (на установленную в таком месте опору начинают действовать продольные нагрузки, направленные по биссектрисе угла, образовываемого проводами), опорных точках (в таких точках провода натягиваются до необходимого уровня, что и служит причиной возникновения продольных нагрузок), местах преодоления препятствий (возможны оба варианта продольных нагрузки). К опорам, устанавливаемых в подобных местах, предъявляются значительно повышенные требования по общей прочности и жесткости конструкции. Поэтому, анкерно-угловые опоры значительно сложнее и дороже в производстве, чем конструкция других видов опор.
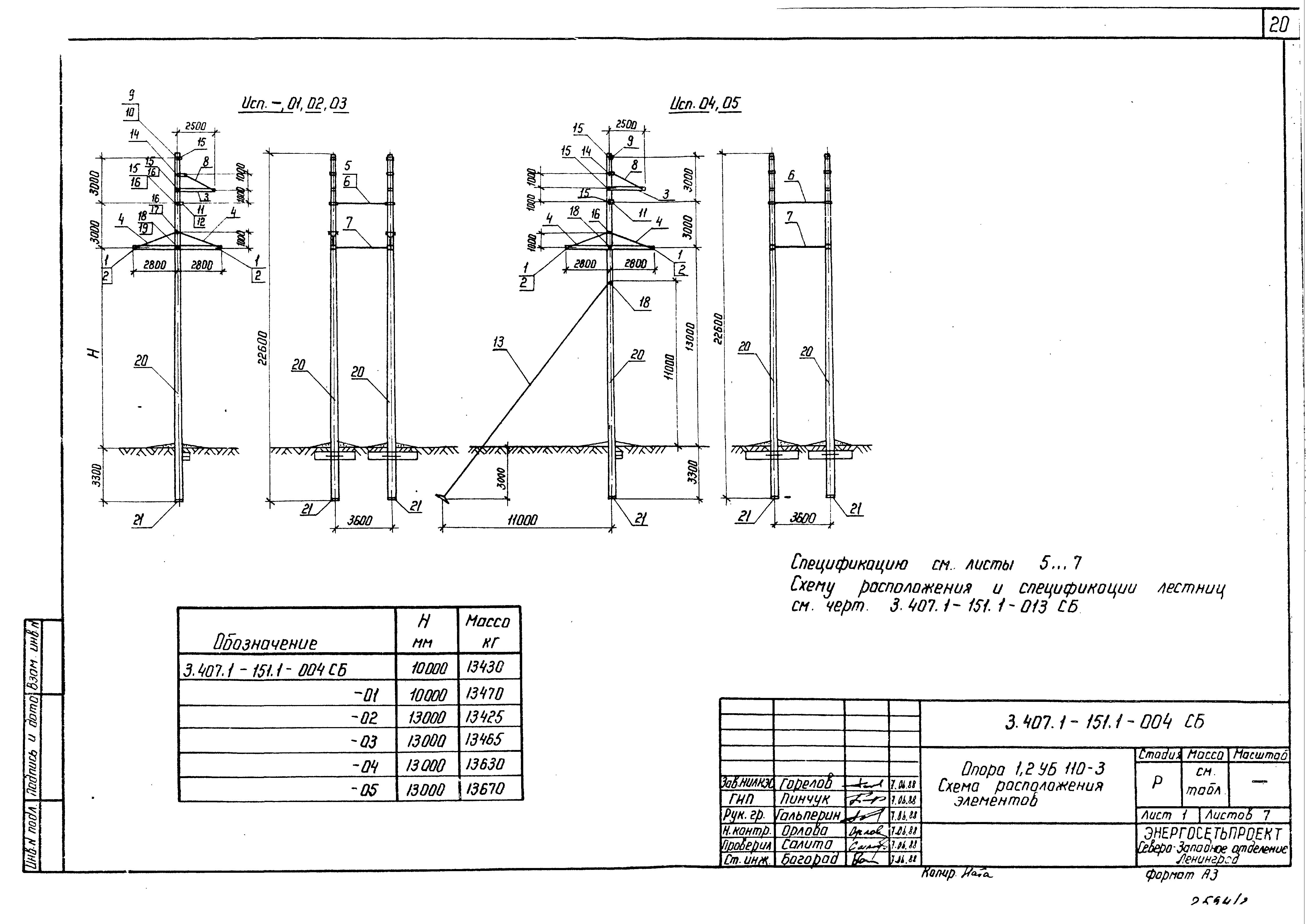
Анкерно-угловая опора 1,2УБ110-3 проектировалась с расчетом на длительную эксплуатацию при подобных нагрузках. Конструкция данной железобетонной опоры обладает необходимой жесткостью и прочностью, чтобы справляться с постоянно воздействующими на нее продольными нагрузками. Стойка анкерно-угловой опоры 1,2УБ110-3 изготавливается железобетона. Предварительно напряженная арматура, выполненная из высокопрочной стали, заливается тяжелым бетоном. Благодаря такому методу изготовления стойки, она получает необходимый запас прочности и защиты от растрескиваний. Кроме того, анкерно-угловая опора 1,2УБ110-3 допускается к эксплуатации даже в районах I-IV по уровню гололеда и III-V по ветровой нагрузке.
Зажимы и траверсы железобетонной анкерно-угловой опоры 1,2УБ110-3 рассчитаны на использование проводов легких марок, до АС120/19. Дополнительная информация о характеристиках данной опоры и её спецификации содержится на представленных ниже проектных выдержках.
![]() |
![]() |
![]() |

.jpg)
.jpg)