
Основой (стержнем) для данных конструкций служит железобетонная коническая стойка СК 26.3 – 2.0, изготавливаемая из тяжелого бетона и высококачественной стальной арматуры. Процесс изготовления стойки для прожекторной мачты ПМЖ 22,8Б – весьма ответственное и достаточно сложное занятие. При ошибочном выборе материалов, например марки бетона, изделие выйдет из строя преждевременно. Поэтому, мы тщательно подбираем марку бетона и тип стали, которые будут использоваться для производства.
Из высокопрочной стальной арматуры изготавливается (в соответствии с нормативно-технической документацией и представленных в ней схемами производства) каркас стойки, который после этого напрягается и заливается бетоном (плотность бетона, а также размер его зерен тщательно контролируется). Далее изделие отправляется на центрифугирование. На следующем этапе проходит процесс контроля качества и сравнение характеристик стойки с эталонными. В случае обнаружения несоответствий, изделие забраковывается.
Прожекторная мачта ПМЖ 22,8Б не комплектуется молниеотводом. Поэтому, если Вам необходимо не только освещение объекта, но и защита от молнии – не забудьте про отдельно стоящие молниеотводы (железобетонные и стальные).
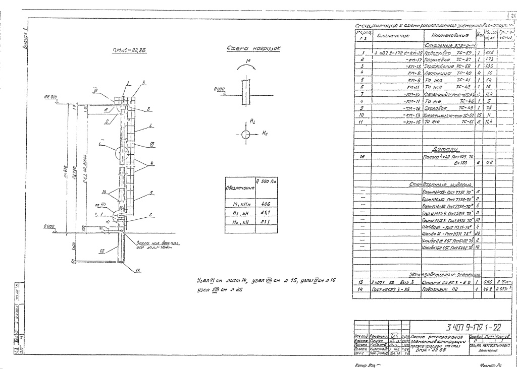
В комплект поставки прожекторной мачты ПМЖ 22,8Б входит: лестницы, стальная подставка и площадка, ограждения, оголовок, а также большое количестве крепежных элементов. Комплектация мачты осветительным оборудованием (прожекторами) осуществляется заказчиком самостоятельно, в соответствии с его желаниями и предпочтениями. Настоятельно рекомендуем придерживаться нормативно-технической документации и не перегружать мачту прожекторами.
Все металлические элементы прожекторной мачты ПМЖ 22,8Б покрываются защитными материалами для обеспечения высокого уровня устойчивости к воздействию коррозии. Нами используется метод горячего цинкования, поскольку только он обеспечивает необходимый уровень защиты изделия (за счет высокого уровня адгезии антикоррозийного слоя к поверхности металла).