
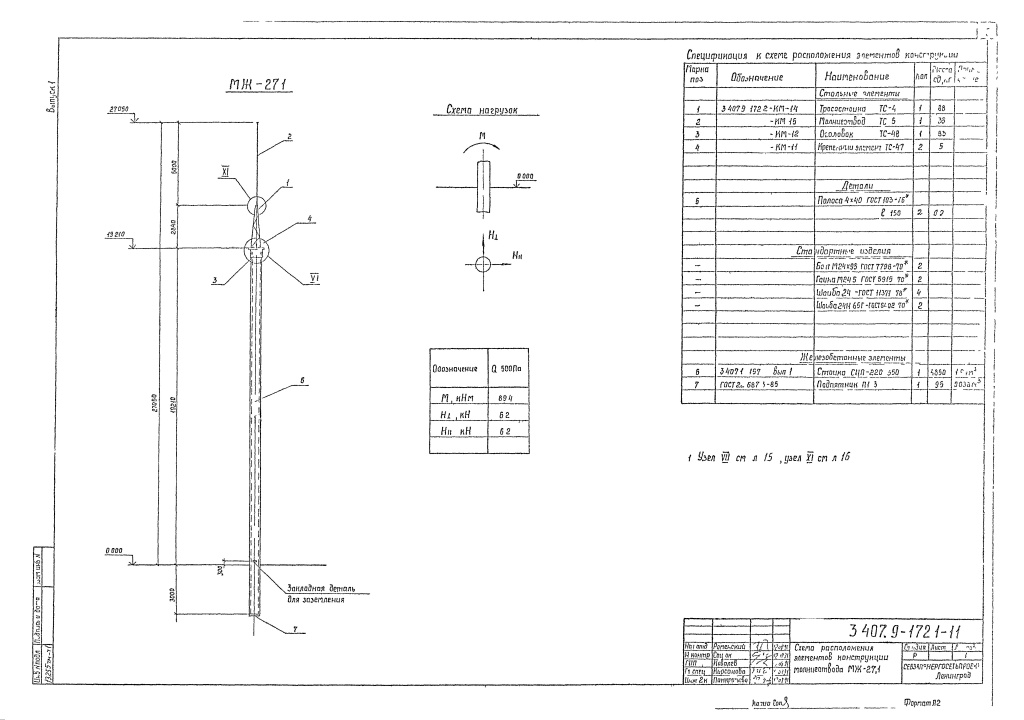
Несущим элементом молниеотвода МЖ-27.1 является железобетонная стойка СЦП 220-350, изготавливаемая методом центрифугирования. Для её производства мы используем высокопрочную стальную арматуру и тяжелый бетон. При изготовлении данного элемента молниеотвода МЖ-27.1, мы тщательно контролируем плотность бетона, его фактуру (размеры зерен), качество швов в арматурном каркасе, силу натяжения арматуры. Технология предварительного напряжения железобетонных изделий позволяет решить проблему преждевременного растрескивания бетона, чем значительно продлевается срок службы конструкции.
На текущий момент молниеотводы МЖ-27.1 устанавливаются на крупных транспортных развязках, карьерах, строительных площадках, терминалах аэропортов, спортивных объектов, промышленных баз, электроподстанций. Кроме того, данные конструкции используются для защиты от ударов молнии отдельных зданий.
Конструктивно, в молниеотводе МЖ 27.1 можно выделить три основных «рабочих» элемента:
- Молниеприемник. Этот элемент предназначен для улавливания молний. Как правило, он выполнен либо в форме штыря, либо в форме сети (отдельного троса), раскинутой над защищаемым объектом. «Поймав» удар молнии, он передает электрическую энергию на токоотвод.
- Токоотвод. Этот элемент представляет собой толстый кабель с минимально возможным сопротивлением. Функциональной назначение – передача энергии от молниеприемника к заземлителю.
- Заземлитель. Этот элемент представляет собой несколько проводников, соединенных между собой и погруженных в грунт (часто в качестве заземлителя используется металлическая плита). Назначение заземлителя – передача получаемой по токоотводу энергии в землю.