
Внешне, данные конструкции представляют собой крупногабаритные сооружения решетчатой формы. Элементы, из которых собираются прожекторные мачты ПМС 29,3Б унифицированы с элементами металлических опор ЛЭП промежуточного типа – 1П110-2 и 1П110-4. Все металлические узлы изготавливаются в едином цикле, после чего проходят процесс контроля качества. Все изделия, реальные характеристики которых не соответствуют эталонным – забраковываются. После чего, оставшиеся элементы проходят процесс обработки защитным материалом – на их поверхность методов горячего цинкования наносится антикоррозийный слой. Благодаря такому подходу к производству, поставляемые нашей компанией прожекторные мачты ПМС 29,3Б выделяется стабильно высоким качеством исполнения.
На этапе производства прожекторных мачт, мы тщательно контролируем все процессы. Это позволяет практически полностью исключить вероятность брака. После того как мачта изготовлена, она отправляется заказчику. Логистика в нашей компании налажена тщательно, благодаря чему доставка изделий происходит точно в оговоренные сроки. Более того, в вопросах транспортировки прожекторных мачт ПМС 29,3Б, мы руководствуемся нормативно-технической документацией, что позволяет исключить вероятность повреждения изделий во время хранения и доставки их заказчику.
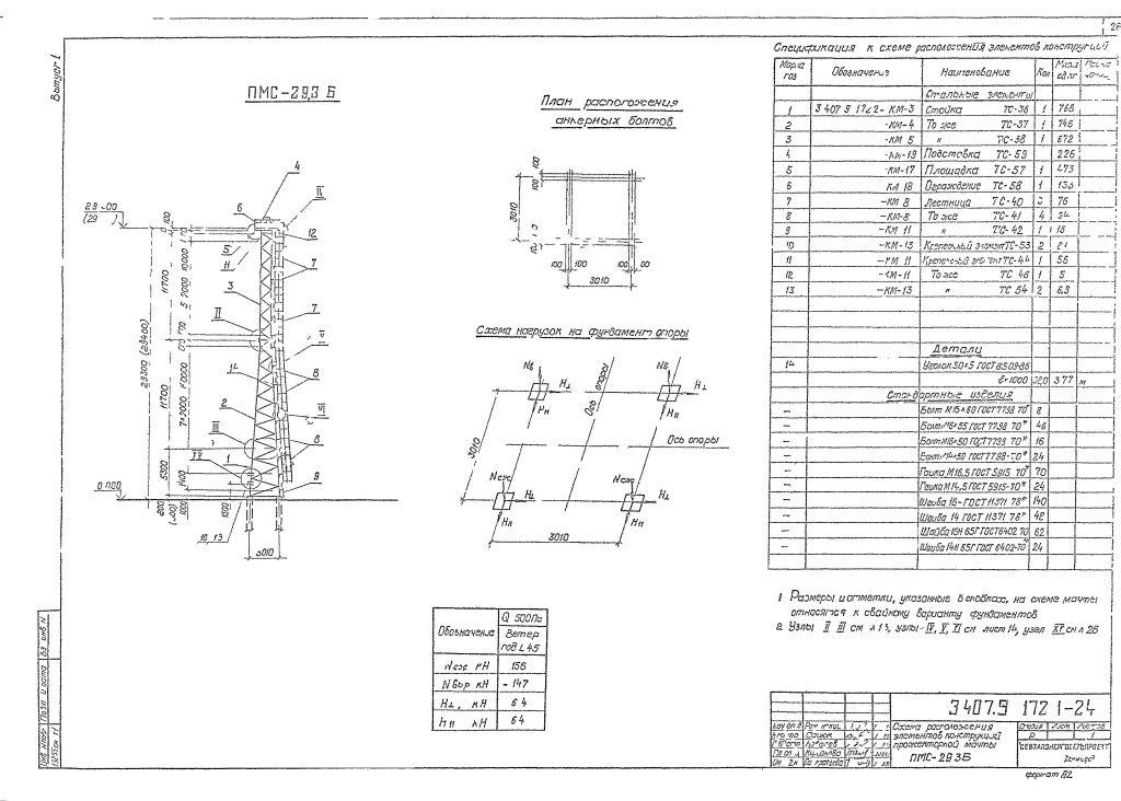
Прожекторная мачта ПМС 29,3Б не комплектуется молниеотводом. Поэтому, при необходимости обеспечения защиты от ударов молнией, стоит обратить внимание на отдельно стоящие молниеотводы. В состав комплекта поставки входят: лестницы, элементы заграждения, подставка, площадка (для установки прожекторов) и различные крепежные элементы.
Состав устанавливаемого на прожекторную мачту ПМС 29,3Б осветительного оборудования (количество и тип прожекторов), определяется исключительно заказчиком. Мы настоятельно рекомендуем придерживаться положений нормативно-технической документации и не перегружать конструкцию осветительным оборудованием.