
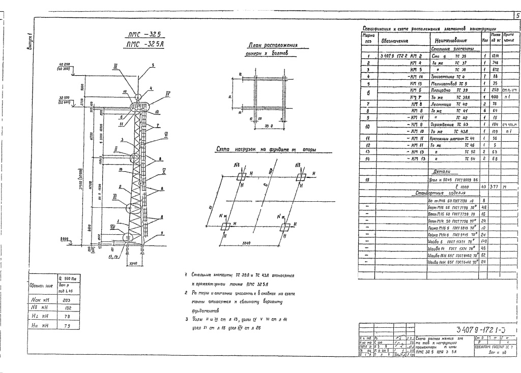
Одной из самых крупногабаритных конструкций, спроектированных в рамках данного проекта, является прожекторная мачта ПМС 32,5 и ПМС 32,5А. Данные конструкции собираются из стальных элементов промежуточных опор воздушных линий электропередач номиналом 110кВ (это опор 1П110-2 и 1П110-4). Конструкция отличается колоссальным запасом прочности и надежности.
Для обеспечения приемлемых, с экономической точки зрения, сроков службы, металлическая прожекторная мачта ПМС 32,5 не должна быть подвержена коррозии. Существует множество способов организации защиты от этого негативного явления. На нашем предприятии, для защиты металлических элементов мачты от коррозии, на их поверхность наносится защитное покрытие. Мы выбрали метод горячего цинкования, так как, только данный способ нанесения защитного покрытия обеспечивает необходимый уровень адгезии (прилипания) покрытия к поверхности элементов мачты.
Подробная информация о габаритах и составе прожекторной мачты ПМС 32,5 указана на выдержке из типового проекта (представленной в самом начале статьи). Основные характеристики прожекторной мачты: высота конструкции составляет 32,5 метра, общая масса – около 3960 килограмм (точная масса конструкции зависит от комплектации её площадками, лестницами, прожекторами – что определяется исключительно заказчиком). Конструкция может устанавливаться на железобетонные фундаменты двух типов: свайные и подножные. При этом, общая высота конструкции будет несколько отличаться.
Процесс изготовления прожекторных мачт ПМС 32,5А на нашем предприятии протекает строго в соответствии с положениями ГОСТов. После изготовления, мачта проходит обязательный процесс приемки, в ходе которой изделия низкого качества отбраковываются. Таким образом, мы обеспечиваем стабильно высокое качество нашей продукции, благодаря чему количество наших постоянных заказчиков только увеличивается.
Также, мы руководствуемся нормативно-технической документации при хранении, либо транспортировки стальных прожекторных мачт. Это позволяет полностью исключить вероятность повреждения изделия при доставке.