
Первоначально планировалось, что прожекторные мачты будут использоваться для построения осветительной сети на электрических подстанциях, с целью освещения открытых распределительных устройств номиналом до 500кВ. Однако, на текущий момент, прожекторные мачты ПМС 32,5Б успешно эксплуатируются на таких крупных объектах как спортивные стадионы, карьеры, промышленные базы, перевалочные пункты, транспортные развязки и терминалы аэропортов.
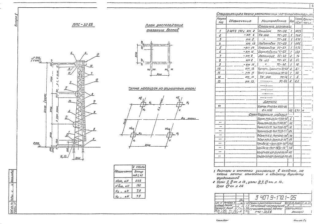
Комплектуется прожекторная мачта ПМС 32,5Б металлическими лестницами, ограждениями, элементами крепления и площадкой, на которой устанавливаются прожектора. Точный состав устанавливаемого осветительного оборудования (как количество, так и тип прожекторов) определяется заказчиком исходя из его нужд. Мы настоятельно рекомендуем придерживаться нормативно-технических норм эксплуатации мачты, и не перегружать площадку осветительным оборудованием.
Прожекторная мачта ПМС 32,5Б не комплектуется молниеотводом, поэтому для обеспечения грозозащиты рекомендуется устанавливать отдельно стоящие молниеотводы.
Отличительной чертой поставляемых нашей компанией на отечественный и зарубежный рынок прожекторных матч является стабильно высокое качество их исполнения, признанная надежность, прочность и долговечность. Добиться таких результатов нам удалось за счет того, что мы тщательно контролируем все процессы производства (в соответствии с нормативно-технической документацией). Кроме того, благодаря отлаженной системе логистики – мы всегда поставляем прожекторные мачты ПМС 32,5Б точно в оговоренные сроки.