
Прожекторная мачта 24,0 (и ПМС 24,0 А) – это крупногабаритная конструкция, предназначенная для установки осветительного оборудования и молниеотводов. Первоначально, данные изделия предполагалось использовать для освещения открытых распределительных устройств номиналом 35…500 кВ. Сейчас, их сфера применения значительно расширилась и прожекторные мачты применяется для освещения больших территорий – стройплощадок, стадионов, площадей и так далее. Вспомогательной функцией прожекторной мачты является установка грозозащиты (молниеотводов).
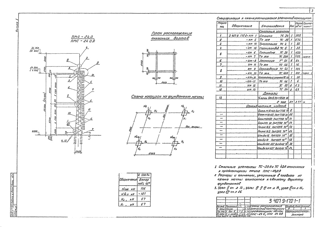
Внешне, стальная прожекторная мачта ПМС 24,0 представляет собой свободностоящую решетчатую конструкцию, собираемой из элементов стальных промежуточных опор, используемых для прокладки линий ВЛ номиналом 110кВ. Эти конструкции устанавливаются не напрямую в грунт, а на специально подготовленный фундамент (для этого используются железобетонные сваи либо подножники).
Для удобства эксплуатации, все прожекторные мачты комплектуются лестницами и специальными площадками, на которых устанавливаются прожекторы. Согласно нормативно-технической документации, на прожекторные мачты возможна установка осветительного оборудования самых различных типов. Установка прожекторов осуществляется силами заказчика. Количество прожекторов, а также схема установки – также определяется заказчиком.
Процесс изготовления прожекторных мачт – весьма ответственный процесс, с которым мы успешно справляемся. Поставляемые нашей компанией на отечественный рынок прожекторные мачты ПМС 24,0 и ПМС 24,0 А успешно эксплуатируются на протяжении многих лет. Наша компания внедрила на производство самые строжайшие нормы контроля качества, благодаря чему, наша продукция отличается высокой надежностью! Кроме того, на нашем предприятии, для обеспечения высокого уровня защиты от коррозии, все металлические элементы прожекторной стойки ПМС 24,0 покрываются защитным покрытием. Для обеспечения необходимого уровня адгезии защитного покрытия к поверхности металлических элементов мачты, мы используем метод горячего цинкования.
<